選擇 | 詢價 | 型號 | 尺寸(mm) | 基本額定載荷(KN) | Pu | 轉速(rpm) | 重量(Kg) | ISO335? | 尺寸(mm) | 安裝尺寸(mm) | 參數 |
---|
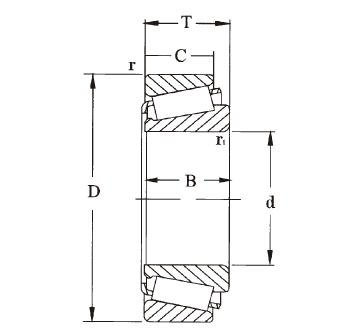
d1 | D | B | Cr | Cor | 轉速等級 | 極限轉速 | 尺寸 (ABMA) | d | d1 | B | C | r1,2(min) | r3,4(min) | a | da(max) | db(min) | Da(min) | Da(max) | Db(min) | Ca(min) | Cb(min) | ra(max) | rb(max) | e | Y | Yo |
|
|
33122 |
110 |
180 |
56 |
369 |
630 |
67 |
2600 |
3400 |
5,55 |
3EE |
110 |
146 |
56 |
43 |
2,5 |
2 |
44 |
121 |
121 |
155 |
170 |
174 |
9 |
13 |
2 |
2 |
0,43 |
1,4 |
0,8 |
|
|
33118TN9/Q |
90 |
150 |
45 |
251 |
390 |
43 |
3000 |
4300 |
3,10 |
3DE |
90 |
120 |
45 |
35 |
2,5 |
2 |
35 |
101 |
101 |
130 |
140 |
144 |
7 |
10 |
2 |
2 |
0,4 |
1,5 |
0,8 |
|
|
33118/Q |
90 |
150 |
45 |
251 |
390 |
43 |
3000 |
4300 |
3,10 |
3DE |
90 |
120 |
45 |
35 |
2,5 |
2 |
35 |
101 |
101 |
130 |
140 |
144 |
7 |
10 |
2 |
2 |
0,4 |
1,5 |
0,8 |
|
|
33117/Q |
85 |
140 |
41 |
220 |
340 |
38 |
3400 |
4500 |
2,45 |
3DE |
85 |
112 |
41 |
32 |
2,5 |
2 |
32 |
95 |
95 |
122 |
130 |
135 |
7 |
9 |
2 |
2 |
0,4 |
1,5 |
0,8 |
|
|
33116TN9/Q |
80 |
130 |
37 |
179 |
280 |
32,5 |
3600 |
4800 |
1,90 |
3DE |
80 |
105 |
37 |
29 |
2 |
1,5 |
30 |
89 |
89 |
114 |
122 |
126 |
6 |
8 |
2 |
1,5 |
0,43 |
1,4 |
0,8 |
|
|
33116/Q |
80 |
130 |
37 |
179 |
280 |
32,5 |
3600 |
4800 |
1,90 |
3DE |
80 |
105 |
37 |
29 |
2 |
1,5 |
30 |
89 |
89 |
114 |
122 |
126 |
6 |
8 |
2 |
1,5 |
0,43 |
1,4 |
0,8 |
|
|
33115/Q |
75 |
125 |
37 |
176 |
265 |
31,5 |
3800 |
5000 |
1,80 |
3DE |
75 |
100 |
37 |
29 |
2 |
1,5 |
29 |
84 |
84 |
109 |
117 |
120 |
6 |
8 |
2 |
1,5 |
0,4 |
1,5 |
0,8 |
|
|
33114/Q |
70 |
120 |
37 |
172 |
250 |
30 |
4000 |
5300 |
1,70 |
3DE |
70 |
94,8 |
37 |
29 |
2 |
1,5 |
28 |
80 |
79 |
104 |
112 |
115 |
6 |
8 |
2 |
1,5 |
0,37 |
1,6 |
0,9 |
|
|
33113/Q |
65 |
110 |
34 |
142 |
208 |
24 |
4300 |
5600 |
1,30 |
3DE |
65 |
87,9 |
34 |
26,5 |
1,5 |
1,5 |
26 |
74 |
72 |
96 |
103 |
106 |
6 |
7,5 |
1,5 |
1,5 |
0,4 |
1,5 |
0,8 |
|
|
33112/Q |
60 |
100 |
30 |
134 |
170 |
19,6 |
5300 |
6300 |
0,92 |
3CE |
60 |
80,4 |
30 |
23 |
1,5 |
1,5 |
23 |
67 |
67 |
88 |
93 |
96 |
5 |
7 |
1,5 |
1,5 |
0,4 |
1,5 |
0,8 |
|
|
33111/Q |
55 |
95 |
30 |
110 |
156 |
17,6 |
5000 |
6700 |
0,86 |
3CE |
55 |
75,1 |
30 |
23 |
1,5 |
1,5 |
22 |
63 |
62 |
83 |
88 |
91 |
5 |
7 |
1,5 |
1,5 |
0,37 |
1,6 |
0,9 |
|
|
33110/Q |
50 |
85 |
26 |
100 |
122 |
13,4 |
6000 |
7500 |
0,59 |
3CE |
50 |
67,9 |
26 |
20 |
1,5 |
1,5 |
20 |
57 |
57 |
74 |
78 |
82 |
4 |
6 |
1,5 |
1,5 |
0,4 |
1,5 |
0,8 |
|
|
33109/Q |
45 |
80 |
26 |
96,5 |
114 |
12,9 |
6700 |
8000 |
0,56 |
3CE |
45 |
62,7 |
26 |
20,5 |
1,5 |
1,5 |
19 |
52 |
52 |
69 |
73 |
77 |
4 |
5,5 |
1,5 |
1,5 |
0,37 |
1,6 |
0,9 |
|
|
33108/Q |
40 |
75 |
26 |
91,5 |
104 |
11,4 |
7000 |
9000 |
0,51 |
2CE |
40 |
57,5 |
26 |
20,5 |
1,5 |
1,5 |
18 |
47 |
47 |
65 |
68 |
71 |
4 |
5,5 |
1,5 |
1,5 |
0,35 |
1,7 |
0,9 |
|