| 選擇 | 詢價 | 型號 | 尺寸(mm) | 基本額定載荷(KN) | Pu | 轉速(rpm) | 重量(Kg) | ISO335? | 尺寸(mm) | 安裝尺寸(mm) | 參數 |
|---|
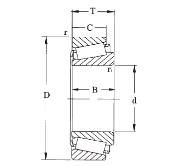
| d1 | D | B | Cr | Cor | 轉速等級 | 極限轉速 | 尺寸 (ABMA) | d | d1 | B | C | r1,2(min) | r3,4(min) | a | da(max) | db(min) | Da(min) | Da(max) | Db(min) | Ca(min) | Cb(min) | ra(max) | rb(max) | e | Y | Yo |
|
|
31330XJ2 |
150 |
320 |
82 |
781 |
1020 |
100 |
1400 |
2000 |
29,5 |
7GB |
150 |
234 |
75 |
50 |
5 |
4 |
96 |
181 |
170 |
251 |
303 |
300 |
9 |
32 |
4 |
3 |
0,83 |
0,72 |
0,4 |
|
|
31328XJ2 |
140 |
300 |
77 |
693 |
900 |
88 |
1500 |
2200 |
24,5 |
7GB |
140 |
219 |
70 |
47 |
5 |
4 |
90 |
169 |
160 |
235 |
283 |
280 |
9 |
30 |
4 |
3 |
0,83 |
0,72 |
0,4 |
|
|
31326XJ2 |
130 |
280 |
72 |
605 |
780 |
81,5 |
1600 |
2400 |
18,5 |
7GB |
130 |
204 |
66 |
44 |
5 |
4 |
84 |
157 |
150 |
218 |
263 |
261 |
8 |
28 |
4 |
3 |
0,83 |
0,72 |
0,4 |
|
|
31324XJ2 |
120 |
260 |
68 |
539 |
695 |
73,5 |
1700 |
2400 |
15,5 |
7GB |
120 |
190 |
62 |
42 |
4 |
3 |
78 |
145 |
135 |
203 |
245 |
244 |
9 |
26 |
3 |
2,5 |
0,83 |
0,72 |
0,4 |
|
|
31322XJ2 |
110 |
240 |
63 |
457 |
585 |
62 |
1900 |
2800 |
12,0 |
7GB |
110 |
176 |
57 |
38 |
4 |
3 |
72 |
135 |
125 |
188 |
226 |
224 |
7 |
25 |
3 |
2,5 |
0,83 |
0,72 |
0,4 |
|
|
31320XJ2/CL7CVQ051 |
100 |
215 |
56,5 |
430 |
465 |
51 |
2400 |
3000 |
8,60 |
7GB |
100 |
158 |
51 |
35 |
4 |
3 |
65 |
121 |
115 |
168 |
201 |
202 |
7 |
21,5 |
3 |
2,5 |
0,83 |
0,72 |
0,4 |
|
|
31319J2 |
95 |
200 |
49,5 |
292 |
355 |
39 |
2400 |
3400 |
6,95 |
7GB |
95 |
145 |
45 |
32 |
4 |
3 |
60 |
114 |
110 |
157 |
186 |
187 |
5 |
17,5 |
3 |
2,5 |
0,83 |
0,72 |
0,4 |
|
|
31318J2 |
90 |
190 |
46,5 |
264 |
315 |
36,5 |
2400 |
3400 |
5,90 |
7GB |
90 |
138 |
43 |
30 |
4 |
3 |
57 |
109 |
105 |
151 |
176 |
179 |
5 |
16,5 |
3 |
2,5 |
0,83 |
0,72 |
0,4 |
|
|
31317J2 |
85 |
180 |
44,5 |
242 |
285 |
33,5 |
2600 |
3800 |
4,60 |
7GB |
85 |
131 |
41 |
28 |
4 |
3 |
55 |
103 |
99 |
143 |
166 |
169 |
6 |
16,5 |
3 |
2,5 |
0,83 |
0,72 |
0,4 |
|
|
31316J1/QCL7C |
80 |
170 |
42,5 |
260 |
265 |
32 |
3000 |
4000 |
4,05 |
7GB |
80 |
124 |
39 |
27 |
3 |
2,5 |
52 |
97 |
92 |
134 |
158 |
159 |
6 |
15,5 |
2,5 |
2 |
0,83 |
0,72 |
0,4 |
|
|
31315J2/QCL7C |
75 |
160 |
40 |
240 |
245 |
29 |
3200 |
4300 |
3,50 |
7GB |
75 |
116 |
37 |
26 |
3 |
2,5 |
48 |
91 |
87 |
127 |
148 |
151 |
6 |
14 |
2,5 |
2 |
0,83 |
0,72 |
0,4 |
|
|
31314J2/QCL7C |
70 |
150 |
38 |
216 |
220 |
27 |
3400 |
4500 |
2,95 |
7GB |
70 |
110 |
35 |
25 |
3 |
2,5 |
45 |
85 |
82 |
118 |
138 |
141 |
5 |
13 |
2,5 |
2 |
0,83 |
0,72 |
0,4 |
|
|
31313J2/QCL7C |
65 |
140 |
36 |
190 |
193 |
23,6 |
3600 |
4800 |
2,35 |
7GB |
65 |
103 |
33 |
23 |
3 |
2,5 |
42 |
80 |
77 |
111 |
128 |
132 |
5 |
13 |
2,5 |
2 |
0,83 |
0,72 |
0,4 |
|
|
31312J2/QCL7C |
60 |
130 |
33,5 |
166 |
166 |
20,4 |
3800 |
5300 |
1,90 |
7FB |
60 |
95,9 |
31 |
22 |
3 |
2,5 |
39 |
74 |
72 |
103 |
118 |
123 |
5 |
11,5 |
2,5 |
2 |
0,83 |
0,72 |
0,4 |
|
|
31311J2/QCL7C |
55 |
120 |
31,5 |
140 |
137 |
16,6 |
4300 |
5600 |
1,55 |
7FB |
55 |
88,4 |
29 |
21 |
2,5 |
2 |
37 |
68 |
65 |
94 |
112 |
113 |
4 |
10,5 |
2 |
2 |
0,83 |
0,72 |
0,4 |
|
|
31310J2/QCL7C |
50 |
110 |
29,25 |
122 |
120 |
14,3 |
4500 |
6000 |
1,20 |
7FB |
50 |
81,5 |
27 |
19 |
2,5 |
2 |
34 |
62 |
60 |
87 |
100 |
104 |
4 |
10 |
2 |
2 |
0,83 |
0,72 |
0,4 |
|
|
31309J2/QCL7C |
45 |
100 |
27,25 |
106 |
102 |
12,5 |
5000 |
6700 |
0,95 |
7FB |
45 |
74,7 |
25 |
18 |
2 |
1,5 |
31 |
57 |
53 |
79 |
91 |
95 |
4 |
9 |
2 |
1,5 |
0,83 |
0,72 |
0,4 |
|
|
31308J2/QCL7C |
40 |
90 |
25,25 |
85 |
81,5 |
9,5 |
5600 |
7500 |
0,72 |
7FB |
40 |
67,1 |
23 |
17 |
2 |
1,5 |
28 |
51 |
49 |
71 |
81 |
86 |
3 |
8 |
2 |
1,5 |
0,83 |
0,72 |
0,4 |
|
|
31307J2/Q |
35 |
80 |
22,75 |
71 |
67 |
7,8 |
6300 |
8500 |
0,52 |
7FB |
35 |
59,6 |
21 |
15 |
2 |
1,5 |
25 |
45 |
44 |
62 |
71 |
76 |
3 |
7,5 |
2 |
1,5 |
0,83 |
0,72 |
0,4 |
|
|
31306J2/Q |
30 |
72 |
20,75 |
55 |
50 |
5,7 |
7500 |
9500 |
0,39 |
7FB |
30 |
52,7 |
19 |
14 |
1,5 |
1,5 |
22 |
40 |
37 |
55 |
65 |
68 |
3 |
6,5 |
1,5 |
1,5 |
0,83 |
0,72 |
0,4 |
|
|
31305J2 |
25 |
62 |
18,25 |
38 |
40 |
4,4 |
7500 |
11000 |
0,26 |
7FB |
25 |
45,8 |
17 |
13 |
1,5 |
1,5 |
20 |
34 |
32 |
47 |
55 |
59 |
3 |
5 |
1,5 |
1,5 |
0,83 |
0,72 |
0,4 |
|